均压环的优化(钢筋混凝土建筑是否需要设置均压环如何设计)

均压环的优化(钢筋混凝土建筑是否需要设置均压环如何设计)

adminqwq 2025-11-22 社会资讯 32 次浏览 0个评论

每天6分钟解决一个机电问题,

黄豆和你一起终身学习,共同成长!

【工程问答】丨 作者 / 黄世奎

这是6分钟机电学堂的第055篇原创文章

【作者简介】黄世奎(黄豆),现任甲级建筑设计院电气主任工程师,高级工程师,一级注册消防工程师,注册电气(供配电)、(发输变电)工程师;专长领域:石油、化工自控,建筑电气设计。

防雷审查及验收2016年 以前一直以来由气象部门把持,

设计中除了按《建筑物防雷设计规范》要求执行,

还需满足《防雷装置设计技术评价规范》规定。

由于《建筑物防雷设计规范》(GB50057-2010)中没有均压环概念,

《防雷装置设计技术评价规范》(QX/T106-2018)又删除了2009版均压环内容,

且防雷审查及验收划归住建部门。

鉴于上述原因,群友的问题:

钢筋混凝土建筑是否需要设置均压环?

具体如何设计?

— 1 —

均压环的出处

均压环设置要求及做法出自《防雷装置设计技术评价规范》(QX/T 106-2009)第10 条均压环:

钢筋混凝土建筑是否需要设置均压环?如何设计?

钢筋混凝土建筑是否需要设置均压环?如何设计?

《防雷装置设计技术评价规范》(QX/T 106-2009)已作废,

目前版本为QX/T106-2018,于2019年2月1日实施,

QX/T106-2018已删除上述关于均压环的章节。

— 2 —

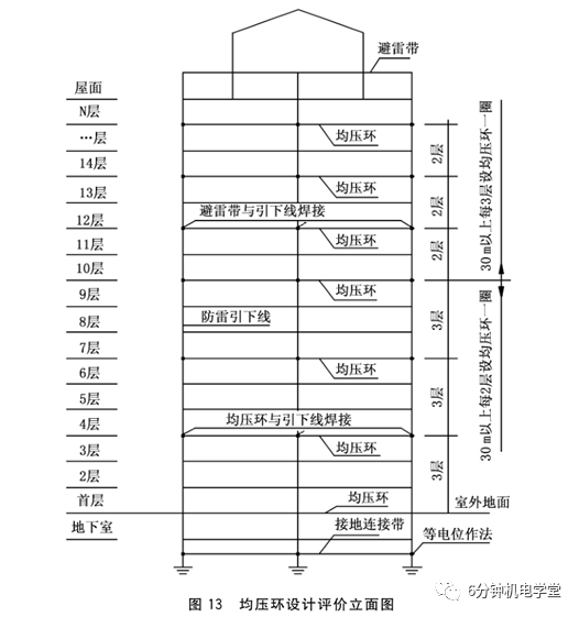
均压环做法说明

钢筋混凝土建筑是否需要设置均压环?如何设计?

— 3 —

雷规规定

《建筑物防雷设计规范》(GB50057-2010)

已把“均压环”更名为“ 等电位连接环”。

对于 设置非分离接闪器的 第一类防雷建筑物,第4.2.4条根据该类防雷建筑物遇电火花可能发生爆炸危险的特性,明确要求应设置 环间垂直距离不大于12m的等电位连接环。

钢筋混凝土建筑是否需要设置均压环?如何设计?

钢筋混凝土建筑是否需要设置均压环?如何设计?

《建筑物防雷设计规范》对第二类和第三类防雷建筑物没有直接要求,但:

在建筑物上部如果不设置防雷等电位连接,则引下线和金属物或线路之间需要满足间隔距离的要求,否则可能发生火花放电(即闪络)。

根据《建筑物防雷设计规范》4.3.8条1款(式4.3.8)和4.4.7条1款(式4.4.7),各类防雷建筑物的间隔距离和引下线计算点到等电位连接点之间的距离成正比。

因此,有必要在建筑物竖向多设置横向的防雷等电位连接环(即均压环),以降低引下线对金属物或线路发生火花放电的几率。

—4 —

民规规定

《民用建筑电气设计规范》(JGJ16-2008)

11.3.3条第2款以及11.4.3对第二类和第三类防雷建筑物作出要求,分别是超过45米、60米结构圈梁中的钢筋应每三层连成闭合回路,并应同防雷装置引下线连接。

钢筋混凝土建筑是否需要设置均压环?如何设计?

钢筋混凝土建筑是否需要设置均压环?如何设计?

所有引下线、建筑物的金属结构和金属设备均应连到环上,

均压环可利用电气设备的接地干线环路。

在设计上均压环应形成闭合圈,

此闭合圈必须与所有的引下线连接。

要求每隔一段高度设一均压环。

—5 —

雷电防护第3部分

《雷电防护第3部分建筑物的物理损坏和生命危险》

( GB/T 21714.3-2015/IEC 62305-3: 2010 )

根据 E. 6. 2. 1 条,“高度超过30 m 的建筑物,推荐在20 m 高度处,及其上方每隔20 m 均设置防雷等电位连接环”。

钢筋混凝土建筑是否需要设置均压环?如何设计?

—6 —

全文强制性规范

《建筑电气与智能化通用规范》(2版意见稿)

(全文强制性工程建设规范——电气通用类规范,适用于各类建筑物)

增加了第一类防雷建筑物。

钢筋混凝土建筑是否需要设置均压环?如何设计?

钢筋混凝土建筑是否需要设置均压环?如何设计?

钢筋混凝土建筑是否需要设置均压环?如何设计?

最后的话

规范已取消均压环术语,取而代之是等电位连接环。

钢筋混凝土建筑是否需要设置均压环?如何设计?

设置非分离接闪器的 第一类防雷建筑物,

应设置环间垂直距离不大于12m的等电位连接环。

高度超过30 m 的建筑物,推荐在20 m 高度处及其上方每隔20 m 均设置等电位连接环。

等电位连接环应优先采用结构外圈梁内的两条水平钢筋构成闭合的电气通路,

当无结构外圈梁时,应采用两条不小于φ12镀锌圆钢或一条40x4mm的镀锌扁钢沿建筑外墙敷设一圈;

由于作为引下线的竖向主筋和每层梁内横向钢筋之间通常仅满足土建施工的粘接锚固要求,不具有可靠的电气连接;

当利用梁内钢筋做为防雷等电位连接环时,需要在梁内钢筋和柱内主筋之间利用卡夹器作机械连接或者焊接。

-End-

和你一起终身学习

觉得有启发,转给朋友们

转载请注明来自海坡下载,本文标题:《均压环的优化(钢筋混凝土建筑是否需要设置均压环如何设计)》

每一天,每一秒,你所做的决定都会改变你的人生!

发表评论

快捷回复:

评论列表 (暂无评论,32人围观)参与讨论

还没有评论,来说两句吧...